中国上海,2022年8月31日——东芝电子元件及存储装置株式会社(“东芝”)宣布扩大其智能栅极驱动光耦产品线A的智能栅极驱动光耦---“TLP5222”。这是一种可为MOSFET或IGBT等功率器件提供过流保护的隔离栅极驱动IC,内置保护操作自动恢复的功能。该产品于今日开始出货。

TLP5222持续监测其驱动的功率器件的漏极-源极电压(VDS)[1]或集电极-发射极电压(VCE)[2]。内置的过流检测与保护功能可检测出功率器件中因过流导致的任何VDS或VCE上升,并执行软关断。
此外,这种新型光耦还内置自动恢复功能,在触发保护操作后25。5μs(典型值)将光耦重置到正常工作状态。这简化了控制器中的序列设置。它还集成了隔离故障状态反馈功能,一旦检测出过流即可向控制器发送故障信号,同时有源米勒钳位功能可防止上下桥臂功率器件发生短路[3],帮助简化设计,并减少外部电路。
与此同时,TLP5222采用SO16L封装,可确保8mm(最小值)的爬电距离和电气间隙,适用于需要实现较高绝缘性能的设备。此外,其额定工作温度范围为-40℃至110℃,适用于恶劣温度环境下的各类应用,如光伏发电系统和不间断电源(UPS)。
该系列产品还包括TLP5212、TLP5214A和TLP5214。这三款产品不具备内置的自动恢复功能,但是通过输入LED的信号也可以将其重置回正常运行,用户可以针对具体的使用条件选择合适产品。

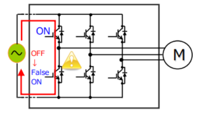
短路示例
应用!
- MOSFET/IGBT栅极驱动
- 工业变频器和交流伺服器
- 可再生能源逆变器(光伏(PV)逆变器等)
- 开关电源(UPS等)
特性!
- 内置保护操作自动恢复功能
- 峰值输出电流额定值!IOPH/IOPL=±2。5A
- 内置过流检测、隔离故障状态反馈和有源米勒钳位等保护功能
- 采用SO16L封装,确保了8mm(最小值)的爬电距离和电气间隙
主要规格!
(除非另有说明,Ta=40℃至110℃)

注!
[1]适用于功率MOSFET
[2]适用于IGBT
[3] 某些功率器件在启动上下桥臂功率器件的开关过程中,米勒电流产生噪声或引起这些功率器件故障的现象。
关于东芝电子元件及存储装置株式会社
东芝电子元件及存储装置株式会社是先进的半导体和存储解决方案的领先供应商,公司累积了半个多世纪的经验和创新,为客户和合作伙伴提供分立半导体、系统LSI和HDD领域的杰出解决方案。
公司23,100名员工遍布世界各地,致力于实现产品价值的最大化,东芝电子元件及存储装置株式会社十分注重与客户的密切协作,旨在促进价值共创,共同开拓新市场,公司现已拥有超过7,110亿日元(62亿美元)的年销售额,期待为世界各地的人们建设更美好的未来并做出贡献。
